本页导航
广告链接
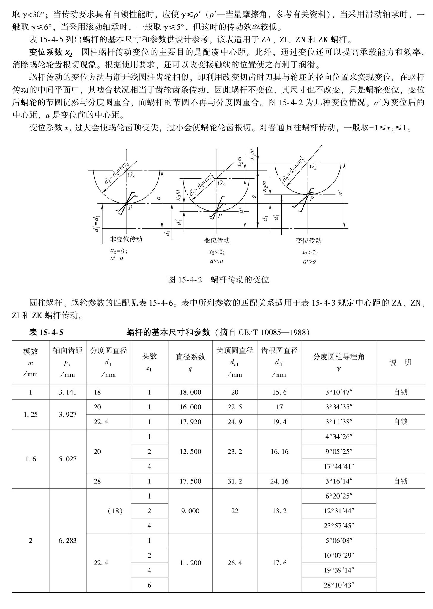
圆柱蜗杆传动主要参数的选择
普通圆柱蜗杆传动及锥面包络圆柱蜗杆传动的主要参数
蜗杆、蜗轮参数的匹配(摘自GB 10085-1988 neq DIN3976-1980)
注:γ<3°17′者有自锁能力。
①为基本传动比。
| 中心距a/min | 传动比i | 模数m/mm | 蜗杆分度圆直径d1/mm | 蜗杆头数z1 | 蜗轮齿数z2 | 蜗轮变位系数 x2 | 导程角γ |
|---|---|---|---|---|---|---|---|
| 40 | 4.83 | 2 | 22.4 | 6 | 29 | -0.1 | 28°10′43" |
| 40 | 7.25 | 2 | 22.4 | 4 | 29 | -0.1 | 19°39′14" |
| 40 | 9.5① | 1.6 | 20 | 4 | 38 | -0.25 | 17°44′41" |
| 40 | 14.5 | 2 | 22.4 | 2 | 29 | -0.1 | 10°07′29" |
| 40 | 19① | 1.6 | 20 | 2 | 38 | -0.25 | 9°05′25" |
| 40 | 29 | 2 | 22.4 | 1 | 29 | -0.1 | 5°06′08" |
| 40 | 38① | 1.6 | 20 | 1 | 38 | -0.25 | 4°34′26" |
| 40 | 49 | 1.25 | 20 | 1 | 49 | -0.5 | 3°34′35" |
| 40 | 62 | 1 | 18 | 1 | 62 | 0 | 3°10′47" |
| 50 | 4.83 | 2.5 | 28 | 6 | 29 | -0.1 | 28°10′43" |
| 50 | 7.25 | 2.5 | 28 | 4 | 29 | -0.1 | 19°39′14" |
| 50 | 9.75① | 2 | 22.4 | 4 | 39 | -0.1 | 19°39′14" |
| 50 | 12.75 | 1.6 | 20 | 4 | 51 | -0.5 | 17°44′41" |
| 50 | 14.5 | 2.5 | 28 | 2 | 29 | -0.1 | 10°07′29" |
| 50 | 19.5① | 2 | 22.4 | 2 | 39 | -0.1 | 10°07′29" |
| 50 | 25.5 | 1.6 | 20 | 2 | 51 | -0.5 | 9°05′25" |
| 50 | 29 | 2.5 | 28 | 1 | 29 | -0.1 | 5°06′08" |
| 50 | 39① | 2 | 22.4 | 1 | 39 | -0.1 | 5°06′08" |
| 50 | 51 | 1.6 | 20 | 1 | 51 | -0.5 | 4°34′26" |
| 50 | 62 | 1.25 | 22.4 | 1 | 62 | 0.04 | 3°11′38" |
| 50 | 82① | 1 | 18 | 1 | 82 | 0 | 3°10′47" |
| 63 | 4.83 | 3.15 | 35.5 | 6 | 29 | -0.1349 | 28°01′50" |
| 63 | 7.25 | 3.15 | 35.5 | 4 | 29 | -0.1349 | 19°32′29" |
| 63 | 9.75① | 2.5 | 28 | 4 | 39 | 0.1 | 19°39′14" |
| 63 | 12.75 | 2 | 22.4 | 4 | 51 | 0.4 | 19°39′14" |
| 63 | 14.5 | 3.15 | 35.5 | 2 | 29 | -0.1349 | 10°03′48" |
| 63 | 19.5① | 2.5 | 28 | 2 | 39 | 0.1 | 10°07′29" |
| 63 | 25.5 | 2 | 22.4 | 2 | 51 | 0.4 | 10°07′29" |
| 63 | 29 | 3.15 | 35.5 | 1 | 29 | -0.1349 | 5°04′15" |
| 63 | 39① | 2.5 | 28 | 1 | 39 | 0.1 | 5°06′08" |
| 63 | 51 | 2 | 22.4 | 1 | 51 | 0.4 | 5°06′08" |
| 63 | 61 | 1.6 | 28 | 1 | 61 | 0.125 | 3°16′14" |
| 63 | 67 | 1.6 | 20 | 1 | 67 | -0.375 | 4°34′26" |
| 63 | 82① | 1.25 | 22.4 | 1 | 82 | 0.44 | 3°11′38" |
| 80 | 5.17 | 4 | 40 | 6 | 31 | -0.5 | 30°57′50" |
| 80 | 7.75 | 4 | 40 | 4 | 31 | -0.5 | 21°48′05" |
| 80 | 9.75① | 3.15 | 35.5 | 4 | 39、 | 0.2619 | 19°32′29" |
| 80 | 13.25 | 2.5 | 28 | 4 | 53 | -0.1 | 19°39′14" |
| 80 | 15.5 | 34 | 40 | 2 | 31 | -0.5 | 11°18′36" |
| 80 | 19.5④ | 3.15 | 35.5 | 2 | 39 | 0.2619 | 10°03′48" |
| 80 | 26.5 | 2.5 | 28 | 2 | 53 | -0.1 | 10°07′29" |
| 80 | 31 | 4 | 40 | 1 | 31 | -0.5 | 5°42′38" |
| 80 | 39① | 3.15 | 35.5 | 1 | 39 | 0.2619 | 5°04′15" |
| 80 | 53 | 2.5 | 28 | 1 | 53 | -0.1 | 5°06′08" |
| 80 | 62 | 2 | 35.5 | 1 | 62 | 0.125 | 3°13′28" |
| 80 | 69 | 2 | 22.4 | 1 | 69 | -0.1 | 5°06′08" |
| 80 | 82① | 1.6 | 28 | 1 | 82 | 0.25 | 3°16′14" |
| 100 | 5.17 | 5 | 50 | 6 | 31 | -0.5 | 30°57′50" |
| 100 | 7.75 | 5 | 50 | 4 | 31 | -0.5 | 21°48′05" |
| 100 | 10.25① | 4 | 40 | 4 | 41 | -0.5 | 21°48′05" |
| 100 | 13.25 | 3.15 | 35.5 | 4 | 53 | -0.3889 | 19°32′29" |
| 100 | 15.5 | 5 | 50 | 2 | 31 | -0.5 | 11°18′36" |
| 100 | 20.5① | 4 | 40 | 2 | 4I | -0.5 | 11°18′36" |
| 100 | 26.5 | 3.15 | 35.5 | 2 | 53 | -0.3889 | 10°03′48" |
| 100 | 31 | 5 | 50 | 1 | 31 | -0.5 | 5°42′38" |
| 100 | 41① | 4 | 40 | 1 | 41 | -0.5 | 5°42′38" |
| 100 | 53 | 3.15 | 35.5 | 1 | 53 | -0.3889 | 5°04′15" |
| 100 | 62 | 2.5 | 45 | 1 | 62 | 0 | 3°10′47" |
| 100 | 70 | 2.5 | 28 | 1 | 70 | -0.6 | 5°06′08" |
| 100 | 82① | 2 | 35.5 | 1 | 82 | 0.125 | 3°13′28" |
| 125 | 5.17 | 6.3 | 63 | 6 | 31 | -0.6587 | 30°57′50" |
| 125 | 7.75 | 6.3 | 63 | 4 | 31 | -0.6587 | 21°48′05" |
| 125 | 10.25① | 5 | 50 | 4 | 41 | -0.5 | 21°48′05" |
| 125 | 12.75 | 4 | 40 | 4 | 51 | 0.75 | 21°48′05" |
| 125 | 15.5 | 6.3 | 63 | 2 | 31 | -0.6587 | 11°18′36" |
| 125 | 20.5① | 5 | 50 | 2 | 41 | -0.5 | 11°18′36" |
| 125 | 25.5 | 4 | 40 | 2 | 51 | 0.75 | 11°18′36" |
| 125 | 31 | 6.3 | 63 | 1 | 31 | -0.6587 | 5°42′38" |
| 125 | 41① | 5 | 50 | 1 | 41 | -0.5 | 5°42′38" |
| 125 | 51 | 4 | 40 | 1 | 51 | 0.75 | 5°42′38" |
| 125 | 62 | 3.15 | 56 | 1 | 62 | -0.2063 | 3°13′10" |
| 125 | 69 | 3.15 | 35.5 | 1 | 9 | -0.4524 | 5°04′15" |
| 125 | 82① | 2.5 | 45 | 1 | 82 | 0 | 3°10′47" |
| 160 | 5.17 | 8 | 80 | 6 | 31 | -0.5 | 30°57′50" |
| 160 | 7.75 | 8 | 80 | 4 | 31 | -0.5 | 21°48′05" |
| 160 | 10.25① | 6.3 | 63 | 4 | 41 | -0.1032 | 21°48′05" |
| 160 | 13.25 | 5 | 50 | 4 | 53 | 0.5 | 21°48′05" |
| 160 | 15.5 | 8 | 80 | 2 | 31 | -0.5 | 11°18′36" |
| 160 | 20.5① | 6.3 | 63 | 2 | 41 | -0.1032 | 11°18′36" |
| 160 | 26.5 | 5 | 50 | 2 | 53 | 0.5 | 11°18′36" |
| 160 | 31 | 8 | 80 | 1 | 31 | -0.5 | 5°42′38" |
| 160 | 41① | 6.3 | 63 | 1 | 41 | -0.1032 | 5°42′38" |
| 160 | 53 | 5 | 50 | 1 | 53 | 0.5 | 5°42′38" |
| 160 | 62 | 4 | 71 | 1 | 62 | 0.125 | 3°13′28" |
| 160 | 70 | 4 | 40 | 1 | 70 | 0 | 5°42′38" |
| 160 | 83① | 3.15 | 56 | 1 | 83 | 0.4048 | 3°13′10" |
| 180 | 7.25 | 10 | (71) | 4 | 29 | -0.05 | 29°23′46" |
| 180 | 9.5① | 8 | (63) | 4 | 38 | -0.4375 | 26°53′40" |
| 180 | 12 | 6.3 | 63 | 4 | 48 | -0.4286 | 21°48′05" |
| 180 | 15.25 | 5 | 50 | 4 | 61 | 0.5 | 21°48′05" |
| 180 | 19① | 8 | (63) | 2 | 38 | -0.4375 | 14°15′00" |
| 180 | 24 | 6.3 | 63 | 2 | 48 | -0.4286 | 11°18′36" |
| 180 | 30.5 | 5 | 50 | 2 | 61 | 0.5 | 11°18′36" |
| 180 | 38① | 8 | 63 | 1 | 38 | -0.4375 | 7°14′13" |
| 180 | 48 | 6.3 | 63 | 1 | 48 | -0.4286 | 5°42′38" |
| 180 | 61 | 5 | 50 | 1 | 61 | 0.5 | 5°42′38" |
| 180 | 71 | 4 | 71 | 1 | 71 | 0.625 | 3°13′28" |
| 180 | 80① | 4 | 40 | 1 | 80 | 0 | 5°42′38" |
| 200 | 5.17 | 10 | 90 | 6 | 31 | 0 | 33°41′24" |
| 200 | 7.75 | 10 | 90 | 4 | 31 | 0 | 23°57′45" |
| 200 | 10.25① | 8 | 80 | 4 | 41 | -0.5 | 21°48′05" |
| 200 | 13.25 | 69.3 | 63 | 4 | 53 | 0.246 | 21°48′05" |
| 200 | 15.5 | 10 | 90 | 2 | 31 | 0 | 12°31′44" |
| 200 | 20.5① | 8 | 80 | 2 | 41 | -0.5 | 11°18′36" |
| 200 | 26.5 | 6.3 | 63 | 2 | 53 | 0.246 | 11°18′36" |
| 200 | 31 | 10 | 90 | 1 | 31 | 0 | 6°20′25" |
| 200 | 41① | 8 | 80 | 1 | 41 | -0.5 | 5°42′38" |
| 200 | 53 | 6.3 | 63 | 1 | 53 | 0.246 | 5°42′38" |
| 200 | 62 | 5 | 90 | 1 | 62 | 0 | 3°10′47" |
| 200 | 70 | 5 | 50 | 1 | 70 | 0 | 5°42′38" |
| 200 | 82① | 4 | 71 | 1 | 82 | 0.125 | 3°13′28" |
| 225 | 7.25 | 12.5 | (90) | 4 | 29 | -0.1 | 29°03′17" |
| 225 | 9.5① | 10 | (71) | 4 | 38 | -0.05 | 29°23′46" |
| 225 | 11.75 | 8 | 80 | 4 | 47 | -0.375 | 21°48′05" |
| 225 | 15.25 | 6.3 | 63 | 4 | 61 | 0.2143 | 21°48′05" |
| 225 | 19.5① | 10 | (71) | 2 | 38 | -0.05 | 15°43′55" |
| 225 | 23.5 | 8 | 80 | 2 | 47 | -0.375 | 11°18′36" |
| 225 | 30.5 | 6.3 | 63 | 2 | 61 | 0.2143 | 11°18′36" |
| 225 | 38① | 10 | (71) | 1 | 38 | -0.05 | 8°01′02" |
| 225 | 47 | 8 | 80 | 1 | 47 | -0.375 | 5°42′38" |
| 225 | 61 | 6.3 | 63 | 1 | 61 | 0.2143 | 5°42′38" |
| 225 | 71 | 5 | 90 | 1 | 71 | 0.5 | 3°10′47" |
| 225 | 80① | 5 | 50 | 1 | 80 | 0 | 5°42′38" |
| 250 | 7.75 | 12.5 | 112 | 4 | 31 | 0.02 | 24°03′26" |
| 250 | 10.25① | 10 | 90 | 4 | 41 | 0 | 23°57′45" |
| 250 | 13 | 8 | 80 | 4 | 52 | 0.25 | 21°48′05" |
| 250 | 15.5 | 12.5 | 112 | 2 | 31 | 0.02 | 12°34′59" |
| 250 | 20.5① | 10 | 90 | 2 | 41 | 0 | 12°31′44" |
| 250 | 26 | 8 | 80 | 2 | 52 | 0.25 | 11°18′36" |
| 250 | 31 | 12.5 | 112 | 1 | 31 | 0.02 | 6°22′06" |
| 250 | 41① | 10 | 90 | 1 | 41 | 0 | 6°20′25" |
| 250 | 52 | 8 | 80 | 1 | 52 | 0.25 | 5°42′38" |
| 250 | 61 | 6.3 | 112 | 1 | 61 | 0.2937 | 3°13′10" |
| 250 | 70 | 6.3 | 63 | 1 | 70 | -0.3175 | 5°42′38" |
| 250 | 81① | 5 | 90 | 1 | 81 | 0.5 | 3°10′47" |
| 280 | 7.25 | 16 | (112) | 4 | 29 | -0.5 | 29°44′42" |
| 280 | 9.5① | 12.5 | (90) | 4 | 38 | -0.2 | 29°03′17" |
| 280 | 12 | 10 | 90 | 4 | 48 | -0.5 | 23°57′45" |
| 280 | 15.25 | 8 | 80 | 4 | 61 | -0.5 | 21°48′05" |
| 280 | 19① | 12.5 | (90) | 2 | 38 | -0.2 | 15°31′27" |
| 280 | 24 | 10 | 90 | 2 | 48 | -0.5 | 12°31′44" |
| 280 | 30.5 | 8 | 80 | 2 | 61 | -0.5 | 11°18′36" |
| 280 | 38① | 12.5 | (90) | 1 | 38 | -0.2 | 7°50′26" |
| 280 | 48 | 10 | 90 | 1 | 48 | -0.5 | 6°20′25" |
| 280 | 61 | 8 | 80 | 1 | 61 | -0.5 | 5°42′38" |
| 280 | 71 | 6.3 | 112 | 1 | 71 | 0.0556 | 3°13′10" |
| 280 | 80① | 6.3 | 63 | 1 | 80 | -0.5556 | 5°42′38" |
| 315 | 7.75 | 16 | 140 | 4 | 31 | -0.1875 | 24°34′02" |
| 315 | 10.25① | 12.5 | 112 | 4 | 41 | 0.22 | 24°03′26" |
| 315 | 13.25 | 10 | 90 | 4 | 53 | 0.5 | 23°57′45" |
| 315 | 15.5 | 16 | 140 | 2 | 31 | -0.1875 | 12°52′30" |
| 315 | 20.5① | 12.5 | 112 | 2 | 41 | 0.22 | 12°34′59" |
| 315 | 26.5 | 10 | 90 | 2 | 53 | 0.5 | 12°31′44" |
| 315 | 31 | 16 | 140 | 1 | 31 | 0.1875 | 6°31′11" |
| 315 | 41① | 12.5 | 112 | 1 | 41 | 0.22 | 6°22′06" |
| 315 | 53 | 10 | 90 | 1 | 53 | 0.5 | 6°20′25" |
| 315 | 61 | 8 | 140 | 1 | 61 | 0.125 | 3°16′14" |
| 315 | 69 | 8 | 80 | 1 | 69 | -0.125 | 5°42′38" |
| 315 | 82① | 6.3 | 112 | 1 | 82 | 0.1111 | 3°13′10" |
| 355 | 7.25 | 20 | (140) | 4 | 29 | -0.25 | 29°44′42" |
| 355 | 9.5① | 16 | (112) | 4 | 38 | -0.3125 | 29°44′42" |
| 355 | 12.25 | 12.5 | 112 | 4 | 49 | -0.58 | 24°03′26" |
| 355 | 15.25 | 10 | 90 | 4 | 61 | 0.5 | 23°57′45" |
| 355 | 19① | 16 | (112) | 2 | 38 | -0.3125 | 15°56′43" |
| 355 | 24.5 | 12.5 | 112 | 2 | 49 | -0.58 | 12°34′59" |
| 355 | 30.5 | 10 | 90 | 2 | 61 | 0.5 | 12°31′44" |
| 355 | 38① | 16 | (112) | 1 | 38 | -0.3125 | 8°07′48" |
| 355 | 49 | 12.5 | 112 | 1 | 49 | -0.58 | 6°22′06" |
| 355 | 61 | 10 | 90 | 1 | 61 | 0.5 | 6°20′25" |
| 355 | 71 | 8 | 140 | 1 | 71 | 0.125 | 3°16′14" |
| 355 | 79① | 8 | 80 | 1 | 79 | -0.125 | 5°42′38" |
| 400 | 7.75 | 20 | 160 | 4 | 31 | 0.5 | 26°33′54" |
| 400 | 10.25① | 16 | 140 | 4 | 41 | 0.125 | 24°34′02" |
| 400 | 13.5 | 12.5 | 112 | 4 | 54 | 0.52 | 24°03′26" |
| 400 | 15.5 | 20 | 160 | 2 | 31 | 0.5 | 14°02′10" |
| 400 | 20.5① | 16 | 140 | 2 | 41 | 0.125 | 12°52′30" |
| 400 | 27 | 12.5 | 112 | 2 | 54 | 0.52 | 12°34′59" |
| 400 | 31 | 20 | 160 | 1 | 31 | 0.05 | 7°07′30" |
| 400 | 41① | 16 | 140 | 1 | 41 | 0.125 | 6°31′11" |
| 400 | 54 | 12.5 | 112 | 1 | 54 | 0.52 | 6°22′06" |
| 400 | 63 | 10 | 160 | 1 | 63 | 0.5 | 3°34′35" |
| 400 | 71 | 10 | 90 | 1 | 71 | 0 | 6°20′25" |
| 400 | 82① | 8 | 140 | 1 | 82 | 0.25 | 3°16′14" |
| 450 | 7.25 | 25 | (180) | 4 | 29 | -0.1 | 27°03′17" |
| 450 | 9.75① | 20 | (140) | 4 | 39 | -0.5 | 29°44′42" |
| 450 | 12.25 | 16 | (112) | 4 | 49 | 0.125 | 29°44′42" |
| 450 | 15.75 | 12.5 | 112 | 4 | 63 | 0.02 | 24°03′26" |
| 450 | 19.5① | 20 | (140) | 2 | 39 | -0.5 | 15°56′43" |
| 450 | 24.5 | 16 | (112) | 2 | 49 | 0.125 | 15°56′43" |
| 450 | 31.5 | 12.5 | 112 | 2 | 63 | 0.02 | 12°34′59" |
| 450 | 39① | 20 | (140) | 1 | 39 | -0.5 | 8°07′48" |
| 450 | 49 | 16 | (112) | 1 | 49 | 0.125 | 8°07′48" |
| 450 | 63 | 12.5 | 112 | 1 | 63 | 0.02 | 6°22′06" |
| 450 | 73 | 10 | 160 | 1 | 73 | 0.5 | 3°50′26" |
| 450 | 81① | 10 | 90 | 1 | 81 | 0 | 6°20′25" |
| 500 | 7.75 | 25 | 200 | 4 | 31 | 0.5 | 26°33′54" |
| 500 | 10.25① | 20 | 160 | 4 | 41 | 0.5 | 26°33′54" |
| 500 | 13.25 | 16 | 140 | 4 | 53 | 0.375 | 24°34′02" |
| 500 | 15.5 | 25 | 200 | 2 | 31 | 0.5 | 14°02′10" |
| 500 | 20.5① | 20 | 160 | 2 | 41 | 0.5 | 14°02′10" |
| 500 | 26.5 | 16 | 140 | 2 | 53 | 0.375 | 12°52′30" |
| 500 | 31 | 25 | 200 | 1 | 31 | 0.5 | 7°07′30" |
| 500 | 41① | 20 | 160 | 1 | 41 | 0.5 | 7°07′30" |
| 500 | 53 | 16 | 140 | 1 | 53 | 0.375 | 6°31′11" |
| 500 | 63 | 12.5 | 200 | 1 | 63 | 0.5 | 3°34′35" |
| 500 | 71 | 12.5 | 112 | 1 | 71 | 0.02 | 6°22′06" |
| 500 | 83① | 10 | 160 | 1 | 83 | 0.5 | 3°34′35" |
圆弧圆柱蜗杆传动的主要参数