本页导航
广告链接
圆柱齿轮的结构
注:1.对工字形轮辐,若两肋板之间距离超过400mm时,必须在中间增加第三根补强肋。
2.当dh>100mm,轮毂长度l≥dh时,则轮毂孔内要制出一个凹沟,其直径dh’≈dh+16mm,长度E=1/2─12mm,轮毂长度l=(1.5~2)dh,但不应小于齿宽b。
3.对于b≤250mm和直径<1800mm的镶套式齿轮,其轮心可采用单辐板式,辐板厚度由δ到2δ(齿宽越大取较大值)。v>10m/s时,采用单辐板式结构尤为有利。
4.镶套式结构齿圈与铸铁轮心的配合推荐采用H7/s6(或H7/u7)。
5.对于采用镶套式结构的大型重要齿轮,建议在轮心的缘部开出缝隙,缝隙的数目一般为轮辐数之半,这时应在两侧加定位螺钉6~12个。
6.表中尺寸δ与模板的关系式,适用于m=(0.01~0.02)a时,当模数小于以上范围时,δ值应当相应增大。
| 序号 | 齿坯 | 结构图 | 结构尺寸/mm |
|---|---|---|---|
| 1 | 齿轮轴 |
|
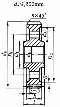
当da<2d或X≤2.5mt时,应将齿轮作成齿轮轴 |
| 2 | 锻造齿轮 |
|
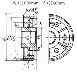
D1=1.6dh l=(1.2~1.5)dh,l≥b δ=(2.5~4)mn,但不小于8~10mm n=0.5mn,D0=0.5(D1+D2) d0=10~29mm,当da较小时不钻孔 |
| 3 | 锻造齿轮 |
|
D1=1.6dh l=(1.2~1.5)dh,l≥b δ=(2.5~4)mn,但不小于8~10mm n=0.5mn r≈0.5C D0=0.5(D1+D2) d0=15~25mm C=(0.2~0.3)b,模锻; 0.3b,自由锻 |
| 4 | 铸造齿轮 |
|
D1=1.6dh(铸钢) D1=1.8dh(铸铁) l=(1.2~1.5)dh,l≥b δ=(2.5~4)mn,但不小于8~10mm n=0.5mn r≈0.5C D0=0.5(D1+D2) d0=0.25(D2─D1) C=0.2b,但不小于10mm |
| 5 | 铸造齿轮 |
|
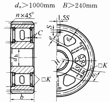
D1=1.6dh(铸钢) D1=1.8dh(铸铁) l=(1.2~1.5)dh,l>b δ=(2.5~4)mn,但不小于8mm n=0.5mn,r≈0.5C C=H/5; S=H/6,但不小于10mm e=0.8δ H=0.8dh,H1=0.8H t=0.8e |
| 6 |
|
||
| 7 | 镶套齿轮 |
|
D1=1.6dh(铸钢) D1=1.8dh(铸铁) l=(1.2~1.5)dh,l>b δ=(2.5~4)mn,但不小于8mm n=0.5mn C=0.15b e=0.8δ H=0.8dh,H1=0.8H d1=(0.05~0.1)dh l2=3d1 |
| 8 | 铸造轮辐剖面 |
|
a)椭圆形,用于轻载荷齿轮,a=(0.4~0.5)H b)T字形,用于中等载荷齿轮,C=H/5,S=H/6 c)十字形,用于中等载荷齿轮,C=H/5,S=H/6 d)、e)工字形,用于重载荷齿轮,C=S=H/5 |
| 9 | 焊接齿轮 |
|
D1=1.6dh l=(1.2~1.5) dh,l≥b δ=2.5mn,但不小于8mm n=0.5mn C=(0.1~0.15)b,但不小于8mm S=0.8C D0=0.5(D1+D2) D0=0.2(D2─D1) |
| 10 | 焊接齿轮 |
|
d1=1.6dh l=(1.6~1.5)dh,l≥b δ=2.5mn,但不小于8mm C=(0.1~0.15)b,但不小于8mm S=0.8C n=0.5mn H=0.8dh e=0.2d |
| 11 | 焊接齿轮 |
|
a)、b)用于可焊性良好的轮缘材料,低负荷及损伤危险性不严重场合。 b)轮缘厚度可减小约5mm c)用于焊接含碳量较高,高合金成分及高强度的轮缘材料(如45、34CrMo4、42CrMo4等),采用中介材料堆焊 d)应力集中小,较a、b、c贵,但可焊性及检验性号 |
| 12 | 剖分式齿轮 |
|
1.轮辐数和齿数应取偶数 2.剖分轮辐的尺寸: D1=1.8d 1.5dh>l≥b δ=(4~5)mt H=0.8 dh H1=0.8H H2=(1.4~1.5)H H3=0.8H2 c=0.2b S=0.8c S1=0.75S e=1.5 δn=0.5mn 3.连接螺栓直径d2按下值选取: 轮缘处:根据计算确定 轮毂处:单排螺栓(b<100mm) d2=0.15dh+(8~15)mm 双排螺栓(b>100mm) d2=0.12dh+(8~15)mm 4.连接螺栓应尽量靠近轮缘或轴线;在轮缘处用双头螺柱;在轮毂处如螺栓为单排、轮辐数大于4,应采用双头螺柱;如螺栓为双排,可采用螺栓 |