Mechtool
首页
机械设计基础资料
机械零部件设计
机械传动 润滑与密封
液压与气压传动
机械书籍
计算机辅助设计
机械资料
侧边栏
常用设计计算工具
计算
公差与配合查询
形状与位置公差查询
螺栓连接设计校核
键连接设计校核
弹簧设计
直线轴承选型
直线导轨选型
螺旋传动设计
滚珠丝杆副设计计算
带传动设计
链传动设计
倍速滚子链选型
渐开线圆柱齿轮传动设计
普通圆柱蜗杆传动设计
凸轮分度(割)器选型
液压传动系统计算
气压传动系统计算
密封系统设计
水系统设计计算
油压缓冲器选型
滚动轴承设计与查询
轴设计计算
电动机(减速机)选型计算
Expand
Collapse
管接头
<- 上一项
下一项 ->
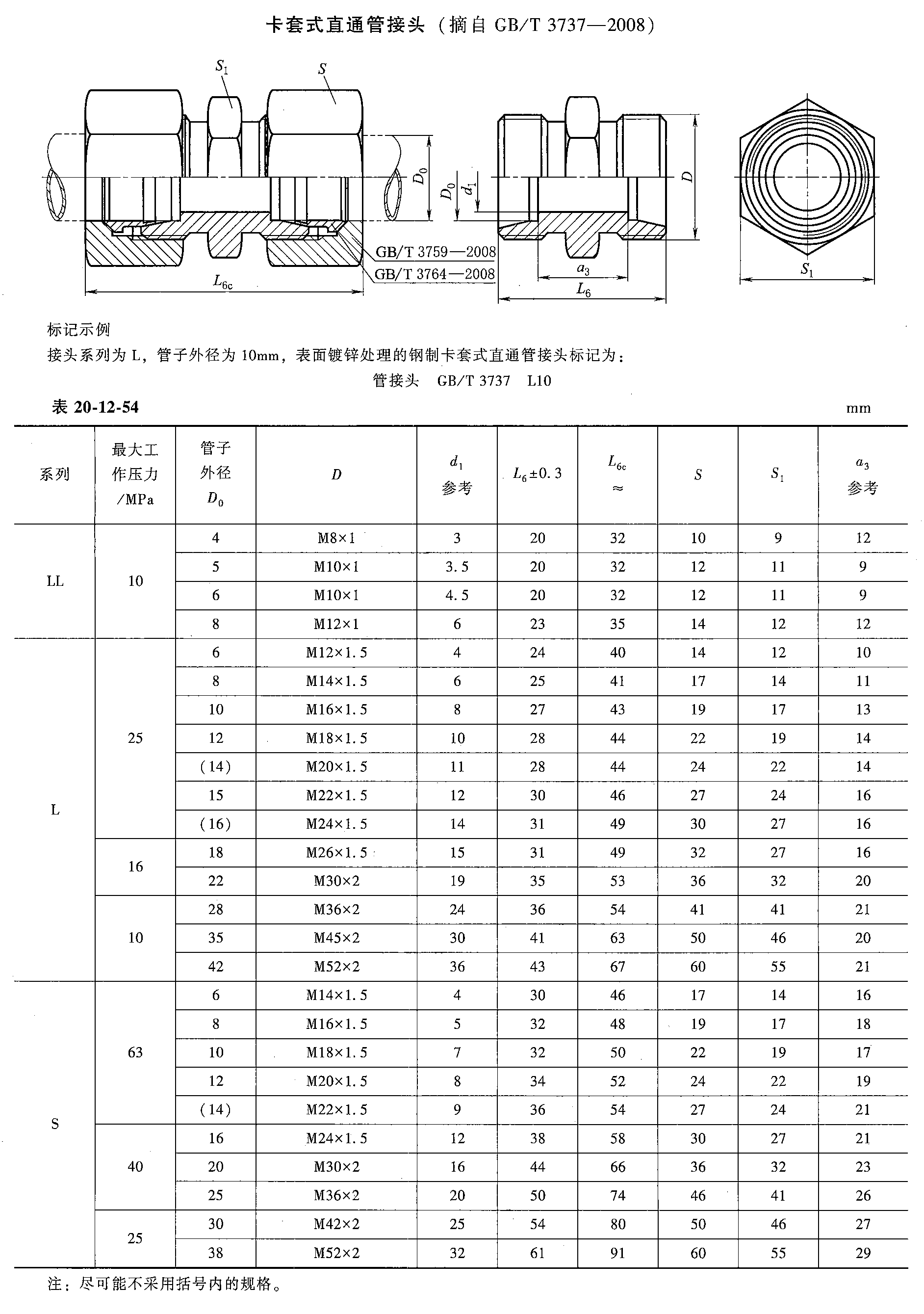
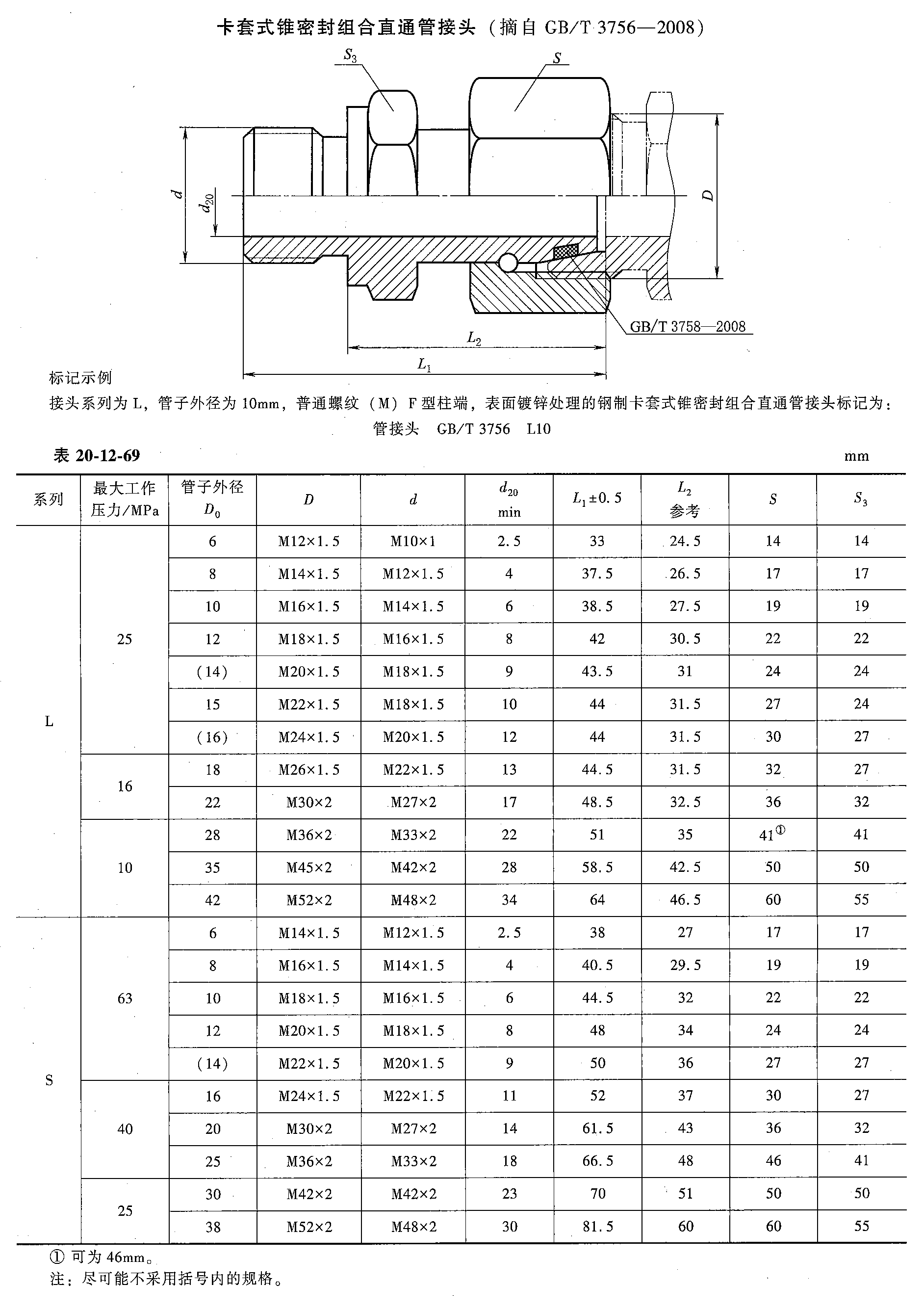
卡套式管接头
管接头分页导航
液压管接头的标识与命名
管接头的类型、特点与应用
金属管接头 O形圈平面密封接头
锥密封焊接式管接头
卡套式管接头
扩口式管接头
液压软管接头
快换接头
液压测压接头
旋(回)转接头
其他管件
法兰
螺塞及其弹性体垫圈
本页导航
卡套式管接头
广告链接
TOP
卡套式管接头
卡套式管接头
<- 上一项
下一项 ->
评论