Mechtool
首页
机械设计基础资料
机械零部件设计
机械传动 润滑与密封
液压与气压传动
机械书籍
计算机辅助设计
机械资料
侧边栏
常用设计计算工具
计算
公差与配合查询
形状与位置公差查询
螺栓连接设计校核
键连接设计校核
弹簧设计
直线轴承选型
直线导轨选型
螺旋传动设计
滚珠丝杆副设计计算
带传动设计
链传动设计
倍速滚子链选型
渐开线圆柱齿轮传动设计
普通圆柱蜗杆传动设计
凸轮分度(割)器选型
液压传动系统计算
气压传动系统计算
密封系统设计
水系统设计计算
油压缓冲器选型
滚动轴承设计与查询
轴设计计算
电动机(减速机)选型计算
Expand
Collapse
高压与自紧密封
<- 上一项
下一项 ->
高压与自紧密封的设计和计算
高压与自紧密封分页导航
高压密封的特点及设计原则
高压与自紧密封类型
高压与自紧密封的设计和计算
高压设备的密封结构
平垫密封结构尺寸
双锥环的系列结构尺寸
密封内压用金属O形环的沟槽尺寸
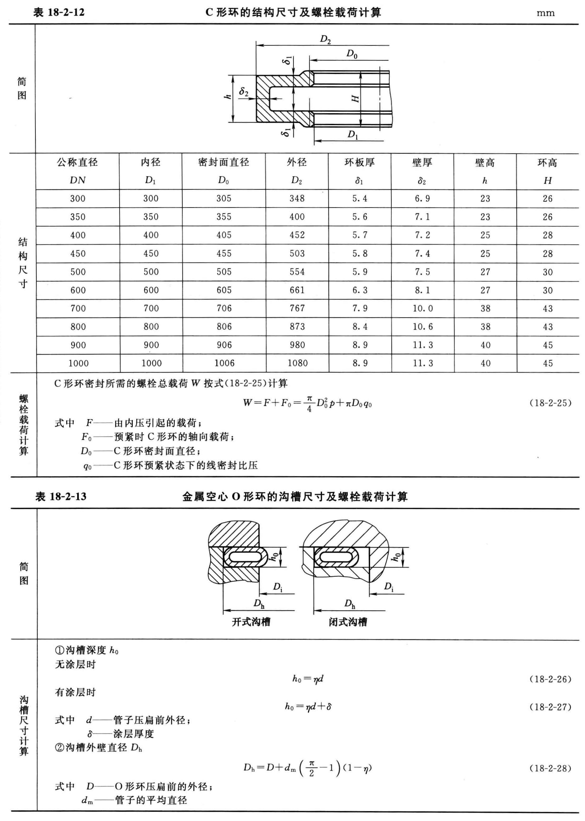
C形环的系列结构尺寸
钢制管法兰用金属环垫尺寸(摘自GB/T 9128-2003)
本页导航
高压与自紧密封的设计和计算
广告链接
TOP
高压与自紧密封的设计和计算
高压与自紧密封的设计和计算
<- 上一项
下一项 ->
评论